
大華 DVR手動警報輸出操作
手動警報輸出
DVR操作:
主選單→手動→警報輸出進入以下選單

點選手動→按保存確認

警報1動作下狀態會顯示打勾

手機操作:
進入實時監控→
滑動下方選單最右邊三角型包著一個!(調色盤圖示左邊)
進入以下選單:

點選進入→
按一下報警輸出1~3的開關 即可開啟或關閉
四硬碟以上機種警報接點:


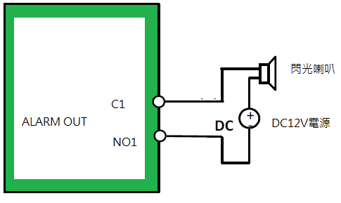
外接閃光喇叭接線圖:





進入實時監控→
滑動下方選單最右邊三角型包著一個!(調色盤圖示左邊)
進入以下選單:

點選進入→
按一下報警輸出1~3的開關 即可開啟或關閉
四硬碟以上機種警報接點:


外接閃光喇叭接線圖:



